loading
一、HL3-2A高效低噪混流风机用途与特点
HL3-2A混流式风机用于通风换气;适用于地下车库、地下建筑、隧道等场所。具有效率高、节能、低噪声、安装方便等特点。
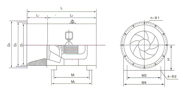
二、外形图
三、安装尺寸表
专业生产表冷器、组合式空调机组、干蒸汽加湿器、
新风机组、新风换气机、防雨百叶窗、空调机组挡水板、中央空调风口等中央空调末端及不锈钢集水槽环保设备
生产企业!服务热线:13952623780
首页
中央空调机组
通风空调机组
防火排烟系列
产品中心
应用行业
新闻动态
关于双虎
联系我们
热泵机组
空调机组
风机盘管
新风换气机
加湿器
空调表冷器
挡水板
风口
散流器
消声器
消声弯头
风阀
防雨百叶窗
复合通风软管
玻璃钢通风管
屋顶通风管
防火阀
排烟防火阀
排烟阀
离心式消防排烟风机
轴流式消防排烟风机
混流式消防排烟风机
消防风机系列